欢迎来到宏元集团!产品优质,资质齐全!
当前位置:Home > 中文版 > 新闻中心 > 公司新闻 > » 我司阻燃牛皮纸顺利通过UL94 V-0标准检测
文章出处: 责任编辑: 阅读量:次 发表时间:2024-04-19 15:39
宏元危包,阻燃材料,阻燃工业包装,宏元实业
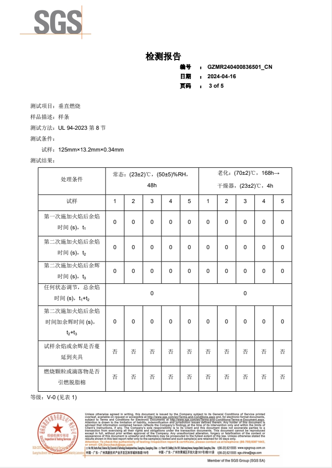
近日,我司新型阻燃材料——阻燃牛皮纸已顺利通过专业机构检测,检测结果符合UL94 V-0阻燃测试标准。
检测报告截图如下:
此阻燃牛皮纸同时亦符合欧盟RoHS标准:
Previous:广州海关技术中心宏元检测服务——UN38.3检测费用报价表
Next:我司阻燃EPE珍珠棉顺利通过RoHS检测
我司加入深圳市航空业等
我司阻燃EPE珍珠棉顺利通
广州海关技术中心宏元检
集团旗下东莞市宏元危包
宏元危包技术有限公司获
QQ:
电话:电话:0769-8838 2456
手机:
地址: